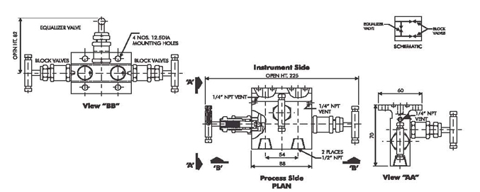
WINFLOW 3 VALVE MANIFOLD - PIPE TO FLANGE
WINFLOW 3 Valve Manifold Pipe to Flange design for connecting system impulse lines and transmitters. This valve consist of 1/2" NPT Female connections on 54 mm. (2-1/8") centre’s and of one equalizer valve and two block valves. 1/4" NPT purge connections (2) optional.
DESIGN FEATURES
- Forged one piece body construction for higher strength.
- Two isolation and one equalizing valve for instrument balancing applications.
- Accurate and fine control of venting.
- Metal to metal body bonnet seal for higher pressure and temperature sealing.
- Temperature rating -50°C TO 230°C.
- Mounting holes are standard to allow easy fixing to pipe stands and enclosure.
- Non rotating Vee/Ball tip design.
- Full material traceability.
- Material of construction can be supplied to meet the requirement of NACE MR-01-75.
